S
teward
分享是一種喜悅、更是一種幸福
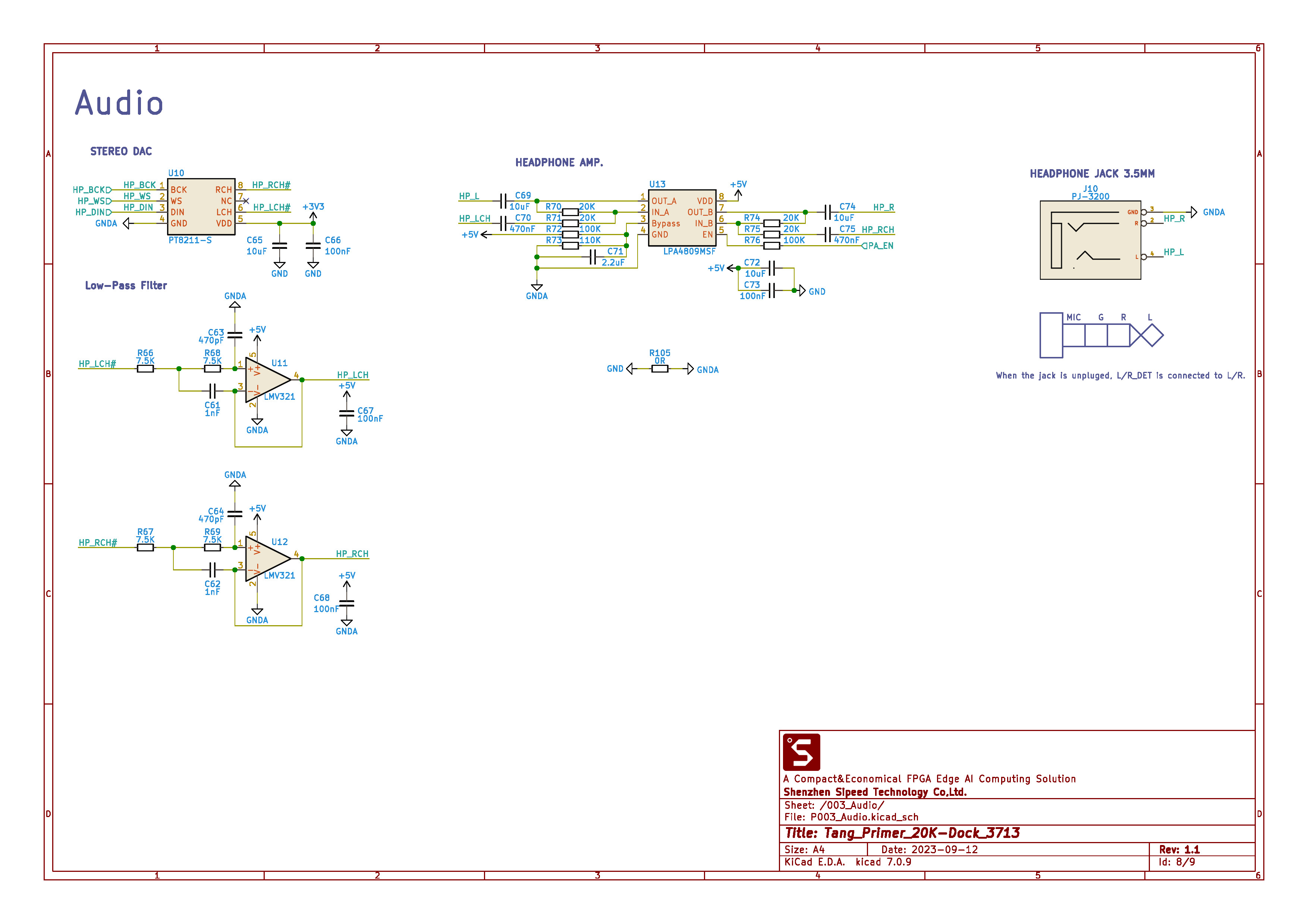
微處理器
- Gowin GW2A-LV18PG256C8/I7 (Lichee Tang Primer 20K) -
Schematic
參考資訊:
https://wiki.sipeed.com/hardware/zh/tang/tang-primer-20k/primer-20k.html