掌機 - Anbernic RetroGame - 支援振動馬達



由於司徒最近進行了一系列振動馬達改造計畫,最後的一站就是RS97掌機,往回一看這台掌機,兩年時間就這樣飛逝而過,許多感觸頓時湧上心頭,接著司徒就說明一下改造過程

拆開背面螺絲


懷念的跳線


找尋最佳位置


最後由於電池過厚,只好修改馬達位置


接著測試修改後的fceux模擬器


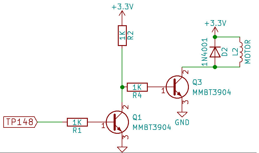
電路圖